• Увеличение прибыльности АЗК
+7 (958) 756-82-36ЗВОНОК БЕСПЛАТНЫЙ
ТРК Квант МС 11
ТРК Квант МС 11
ТРК Квант МС 11

ТРК КВАНТ МС 11

Код товара: 22283
Производительность:
  • 50 л/мин
  • 80 л/мин
  • -
126 420 руб.
Для совершения оптового заказа свяжитесь с нашим отделом продаж
Оптовая цена
129 000 руб.
Нашли дешевле?
Под заказ с центрального склада
Вопрос о товаре?
За подробной информацией обратитесь к нашим экспертам по бесплатному номеру

Описание

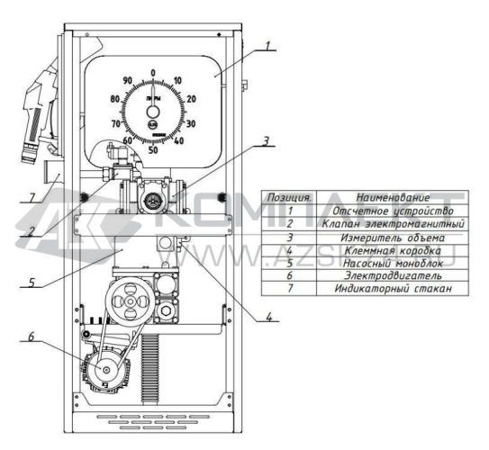
ТРК КВАНТ МС 11 - стационарная всасывающая топливораздаточная колонка с механическим стрелочным отчетным устройством. Данное оборудование используется преимущественно на ведомственных АЗС, т.к. стрелочное табло показывает исключительно литраж отпущенного топлива. Преимуществом Квант МС 11 является простота в обслуживании. Управление данной ТРК осуществляется с помощью пульта дистанционного управления.

Условия эксплуатации:

  • температура окружающего воздуха - от -40°С до +50°С
  • относительная влажность при 25° С, - от 30% до 100%
Комплектация ТРК МС 11-11:
  • компенсатор сильфонный;
  • электродвигатель;
  • моноблок насосный;
  • измеритель объёма;
  • стрелочное отсчетное устройство;
  • колодка крана раздаточного;
  • коробка клеммная;
  • индикатор воздуха;
  • рукав раздаточный Semperit TOF-319  с фитингами;
  • кран раздаточный TDW-11A;
  • разрывная муфта(опция).

Тип гидравлики

всасывающая

Количество видов топлива

1

Номинальный расход через кран, л/мин

50 или 80

Минимальная доза выдачи л/мин

2

Пределы допускаемой основной относительной погрешности, %

± 0,25

Пределы допускаемой основной относительной погрешности при выдаче минимальных доз, %

± 0,5

Общее количество раздаточных рукавов

1

Верхний предел показаний указателя суммарного учёта, л

999 999

Указатель разового учета:
- стрелочный
- верхний предел показаний, л
 - цена деления, л

Двухсторонний 100
 1 
Номинальное напряжение питания от сети переменного тока, В  380±10%
Номинальная частота сети переменного тока, Гц 49-61
Максимальная потребляемая мощность колонки, кВт, не более  0,9
Габариты, мм 540 x 1242 x 415 мм
Масса колонки, кг, не более 96
Длина раздаточного рукава, м не менее  4
Тонкость фильтрования, мкм, не более 60
Степень очистки системы фильтрации топлива одноступенчатая
Уровень звука колонки, дБА, не более  80
Вид индикации  СДИ или ЖКИ


Доставка и оплата

Доставка по России возможна любым удобным для заказчика способом. Возможные варианты:

Транспортная компания «Деловые линии»:
Ежедневно мы отправляем Ваши заказы данной транспортной компанией.
Примерные сроки и стоимость доставки можно посмотреть на сайте транспортной компании или узнать у наших сотрудников.
При выборе данной транспортной компании - доставка до терминала в г. Москва производится за наш счет!

Курьерская компания «СДЕК»:
Примерные сроки и стоимость доставки можно посмотреть на сайте компании. Точные стоимость и сроки доставки может рассчитать наш менеджер. Доставка осуществляется по указанному заказчиком адресу.

Другие транспортные компании и курьерские службы:
Наша компания работает с большинством известных транспортных компаний, таких как GTD (Кашалот), ПЭК, Ратек, Байкал-Сервис, Энергия, Dimex и т.д.
Если у Вас или Вашей организации есть договор с какой-либо транспортной компанией доставляющей для Вас грузы, мы можем передать Ваш заказ представителям транспортной компании у нас на складе.

Другие варианты:
Позвоните нам или напишите, обсудим предложенные Вами варианты.

Для оплаты доступно несколько способов:

Юридическим лицам - безналичным переводом

После оформления заказа и согласования с нашими сотрудниками Вам будет выслан счёт на оплату на Ваш адрес по эл.почте или факсу.

Физическим лицам

К оплате принимаются платежные карты: VISA, MasterCard, Мир.

Для оплаты товара через СБП при оформлении заказа в интернет-магазине выберите способ оплаты: с помощью QR-кода.

Подробнее о способах оплаты

Гарантия

На поставляемое оборудование распространяются заводские гарантии, с обозначенным сроком в паспорте изделия. В случае выхода из строя оборудования до истечения срока гарантийного срока данное оборудование отправляется на завод-изготовитель для выявления причин выхода из строя. Если поломка вызвана заводским браком, то данная неисправность устраняется или оборудование меняется на новое. В этом случае расходы на транспортировку компания «АЗС Комплект» возьмет на себя.

Если поломка вызвана неправильной установкой или эксплуатацией оборудования, транспортные расходы оплачиваются покупателем.

Перед установкой и началом эксплуатации оборудования мы настоятельно рекомендуем подробно ознакомиться со всей сопутствующей документацией, или обратиться в нашу кампанию за профессиональной установкой и обслуживанием приобретаемого оборудования.

Подробнее можно ознакомиться на странице О гарантии.

Отзывы о компании