Назначение адаптеров и место установки
Адаптеры рециркуляции ПВС обеспечивают рециркуляцию паров топлива во время налива, а также слива топлива из ёмкости автоцистерны. Устанавливают адаптеры в конце линии отвода паров для подключения специального шланга с помощью муфты-переходника. Конструкция представляет из себя адаптер с устройством клапана тарельчатого типа.
Особенности адаптера рециркуляции ПВС Civacon 633LVB
Адаптер рециркуляции ПВС Civacon 633LVB способен обеспечить достаточно большую пропускную способность паровоздушной смеси (не более 46 м3/мин) в совмещении с минимальным расхождением между давлением атмосферы и внутри резервуара с топливом. В качестве результата избавляемся от выбросов ПВС с помощью дыхательных устройств в атмосферу.
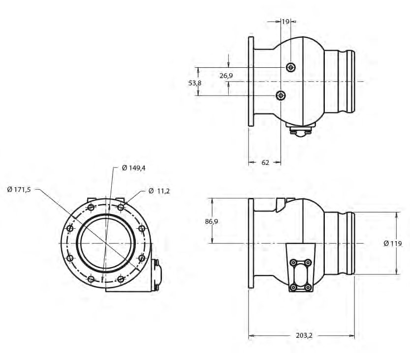
Размеры и состав адаптера рециркуляции ПВС Civacon 633LVB

Внутренняя поверхность адаптера рециркуляции ПВС изготовлена из нержавеющей стали. Адаптер оборудован дренажным отверстием и смотровым стеклом. Также имеет небольшой вес, всего 3,5 кг.
Сфера использования:
пары топлива, бензина, этанола, метанола, био-топлива.
Технические характеристики адаптера рециркуляции ПВС Civacon 633LVB

Для оплаты доступно несколько способов:
Юридическим лицам - безналичным переводом
После оформления заказа и согласования с нашими сотрудниками Вам будет выслан счёт на оплату на Ваш адрес по эл.почте или факсу.
Физическим лицам
К оплате принимаются платежные карты: VISA, MasterCard, Мир.
Для оплаты товара через СБП при оформлении заказа в интернет-магазине выберите способ оплаты: с помощью QR-кода.
На поставляемое оборудование распространяются заводские гарантии, с обозначенным сроком в паспорте изделия. В случае выхода из строя оборудования до истечения срока гарантийного срока данное оборудование отправляется на завод-изготовитель для выявления причин выхода из строя. Если поломка вызвана заводским браком, то данная неисправность устраняется или оборудование меняется на новое. В этом случае расходы на транспортировку компания «АЗС Комплект» возьмет на себя.
Если поломка вызвана неправильной установкой или эксплуатацией оборудования, транспортные расходы оплачиваются покупателем.
Перед установкой и началом эксплуатации оборудования мы настоятельно рекомендуем подробно ознакомиться со всей сопутствующей документацией, или обратиться в нашу кампанию за профессиональной установкой и обслуживанием приобретаемого оборудования.
Подробнее можно ознакомиться на странице О гарантии.
Доставляем товар в любой город России, Казахстана, Узбекистана, Грузии, Азербайджана, Кыргызстана и других стран.
Каждый день отправляем товар с наших складов и напрямую от производителей.
Отправим ваше оборудование удобным для вас способом: авто, ЖД, авиа, курьер.
Безопасность электронных платежей гарантируется использованием SSL протокола. Данные вашей банковской карты надежно защищены при оплате онлайн.
Бесплатно проконсультируем по техническим вопросам вашей АЗС.