Насос СЦЛ 20/24 предназначен для перекачивания чистых, без механических примесей жидкостей: воды, бензина, керосина, дизельного топлива, спирта и других нейтральных жидкостей вязкостью не более 2*10-5 м2/с, температурой 233 К - 323 К и плотностью не более 1000 кг/м3.
Насос СЦЛ 20/24 - самовсасывающий, центробежно-вихревой, двухступенчатый, горизонтальный. Первая ступень - центробежный насос с рабочим колесом закрытого типа и спиральным отводом круглого сечения, обеспечивает высокие кавитационные качества. Вторая ступень - вихревой насос с вихревым рабочим колесом закрытого типа и открытым каналом, обеспечивает высокую напорность. Оригинальная конструкция вихревой ступени позволяет за счет уравновешивания осевых сил обеспечивать самоцентровку вихревого рабочего колеса, исключает трение его торцов о корпус и гарантирует надежность насоса СЦЛ 20/24. Самовсасывание осуществляется специальным устройством (воздуховодом), установленным на выходе из второй ступени. Ротор вращается на двух шарикоподшипниковых опорах. Уплотнение вала - торцовое. Насос выполняется левого и правого вращения (со стороны входного конца вала насоса). Детали проточной части изготавливаются из алюминиевого сплава и бронзы. Насос СЦЛ 20/24 поставляется в собранном виде и не требует разборки и сборки при монтаже и расконсервации. Может эксплуатироваться в районах умеренного или тропического климата и в странах с промышленной частотой тока 60 Гц.
Поставка насоса СЦЛ 20/24 осуществляется в собранном виде и не требует разборки и сборки при монтаже и расконсервации. Насос устанавливаться на бензовозы и топливозаправщики, применяется на нефтебазах и складах ГСМ. Он зарекомендовал себя с надежной стороны. Установленный ресурс насоса СЦЛ до списания - не менее 6500 часов, срок службы - 10 лет. Такие высокие показатели надежности насоса обеспечиваются высоким качеством деталей входящих в состав насоса (вала, рабочего самовсасывающего колеса, рабочего центробежного колеса, торцовых уплотнений).
В комплект поставки насоса входит:
Основные параметры и характеристики:
Частота вращения - 1700 об/ мин
Подача - 45 м3/ч
Напор - 45 м
Мощность - 24 кВт
КПД насоса - 33 %
Допустимый кавитационный запас - 5 м
Высота самовсасывания - 5,5 м
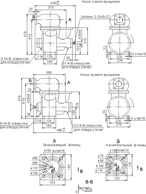
Габаритные размеры - 478х460х285 мм
Масса - 35 кг

Выпускаются левого и правого вращения.
Для оплаты доступно несколько способов:
Юридическим лицам - безналичным переводом
После оформления заказа и согласования с нашими сотрудниками Вам будет выслан счёт на оплату на Ваш адрес по эл.почте или факсу.
Физическим лицам
К оплате принимаются платежные карты: VISA, MasterCard, Мир.
Для оплаты товара через СБП при оформлении заказа в интернет-магазине выберите способ оплаты: с помощью QR-кода.
На поставляемое оборудование распространяются заводские гарантии, с обозначенным сроком в паспорте изделия. В случае выхода из строя оборудования до истечения срока гарантийного срока данное оборудование отправляется на завод-изготовитель для выявления причин выхода из строя. Если поломка вызвана заводским браком, то данная неисправность устраняется или оборудование меняется на новое. В этом случае расходы на транспортировку компания «АЗС Комплект» возьмет на себя.
Если поломка вызвана неправильной установкой или эксплуатацией оборудования, транспортные расходы оплачиваются покупателем.
Перед установкой и началом эксплуатации оборудования мы настоятельно рекомендуем подробно ознакомиться со всей сопутствующей документацией, или обратиться в нашу кампанию за профессиональной установкой и обслуживанием приобретаемого оборудования.
Подробнее можно ознакомиться на странице О гарантии.
Доставляем товар в любой город России, Казахстана, Узбекистана, Грузии, Азербайджана, Кыргызстана и других стран.
Каждый день отправляем товар с наших складов и напрямую от производителей.
Отправим ваше оборудование удобным для вас способом: авто, ЖД, авиа, курьер.
Безопасность электронных платежей гарантируется использованием SSL протокола. Данные вашей банковской карты надежно защищены при оплате онлайн.
Бесплатно проконсультируем по техническим вопросам вашей АЗС.